Skip navigation
  • back
  • Home
  • Shop
  • Products
    • back
    • Rotax Products Summary
    • Rotax 915 iS
    • Rotax 912 iS Sport
    • Rotax 912 ULS
    • Rotax 912 UL
    • Rotax 582 UL
  • Services
    • back
    • Technical Documentation
    • iService & iRepair Centre
    • Rotax Engines Training
    • Customer Service Infomartion Report (CSIR))
  • News & Media
 

Categories For Oil Systems

ROTAX 912 UL ROTAX 912 ULS ROTAX 914 UL ROTAX 912 iS ROTAX 915 iS ROTAX 582 UL
79-20-00-1
OIL TANK
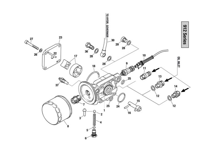
79-20-00-2
OIL PUMP ASSY., OIL FILTER, OIL TEMPERATURE SENSOR, OIL PRESSURE SENSOR
79-20-00-4
MAGNETIC DRAIN PLUG, PLUG SCREW
79-20-00-5
OIL RADIATOR

Copyright © 1999 - 2026 Aeropartes Latino America ,Medellin Colombia. Independent Service Center of ROTAX© Aircraft Engines
ROTAX® is the registered trademark of BRP-Rotax GmbH & Co KG - Login

IMPORTANT INFORMATION

Be aware : Outside Canada we only deliver Certified Parts.
If you are looking for Non-Certified Parts with delivery outside Canada , please refer to your closest Service Centre


Please Choose the currency you would like to see pricing :'

Login & Forgot Password

  • Login
  • Forgot Password
  • OTP

recovery in Progess